61.16106.02

Barre à linge, 20 x 20 mm, L = 530 mm, laiton, mat velour, Épaisseur du verre 6 - 12 mm, montage verre simple avec bouton, à visser

Prix (sans TVA)
CHF 239.25 / pièce
Swiss made Livraison le lendemain
1 pièce(s) livrable.

Autres finitions

CHF 214.95 / pièce

chromé poli

CHF 210.45 / pièce

effet inox

CHF 321.70 / pièce

BlackLine RAL 9005 mat

CHF 216.90 / pièce

L = 630 mm, chromé poli

CHF 240.80 / pièce

L = 630 mm

CHF 212.70 / pièce

L = 630 mm, effet inox

CHF 325.30 / pièce

L = 630 mm, BlackLine RAL 9005 mat

CHF 228.60 / pièce

L = 1230 mm, chromé poli

CHF 249.95 / pièce

L = 1230 mm

CHF 226.20 / pièce

L = 1230 mm, effet inox

CHF 347.00 / pièce

L = 1230 mm, BlackLine RAL 9005 mat


Caractéristiques Générales

Made by Fonsegrive GmbH
Matériaulaiton
Finitionmat velour
Montagemontage verre simple avec bouton
Fixationà visser
Épaisseur du verre6 - 12 mm
Unité de vente (UV)pièce
Formecarré
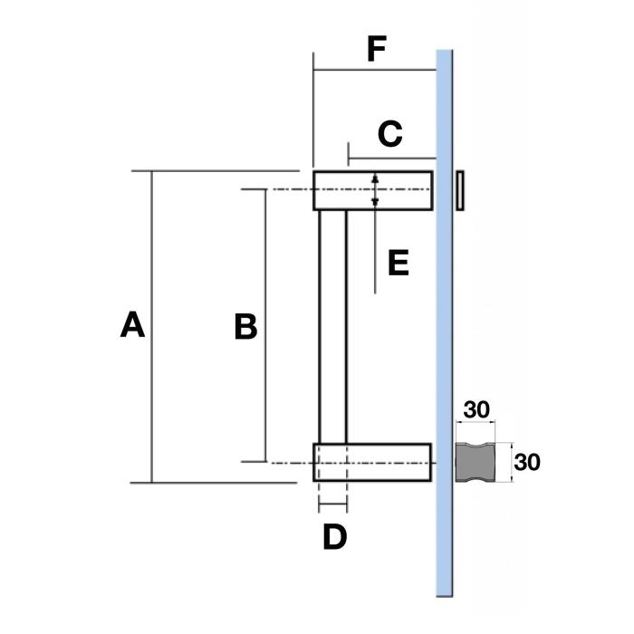
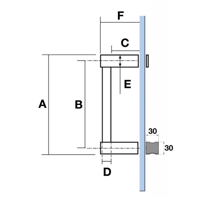
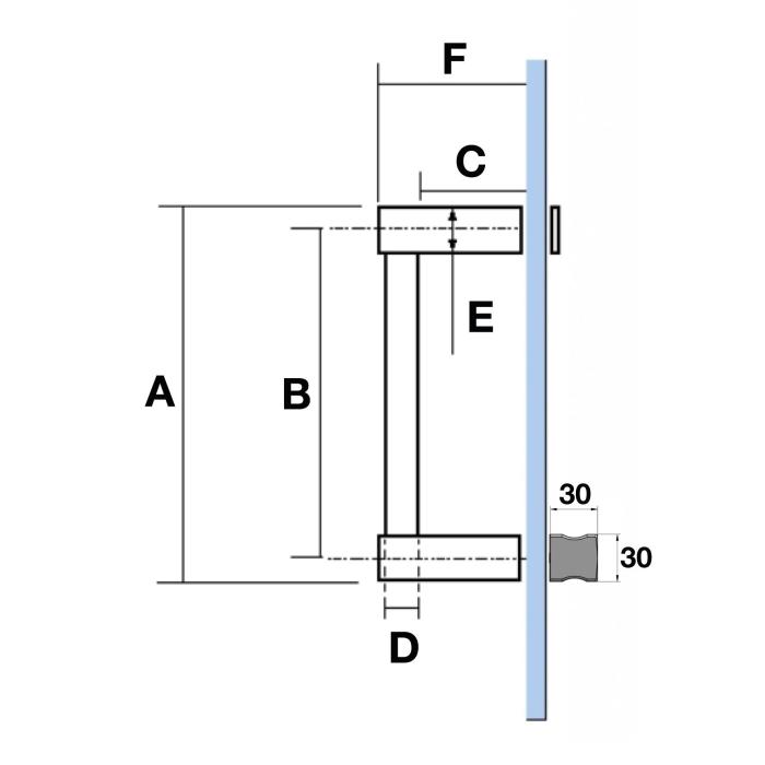
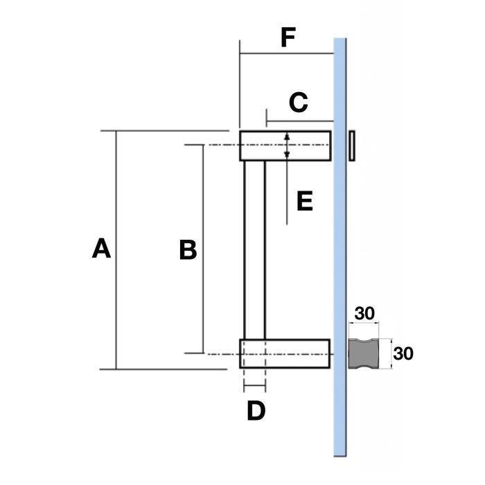
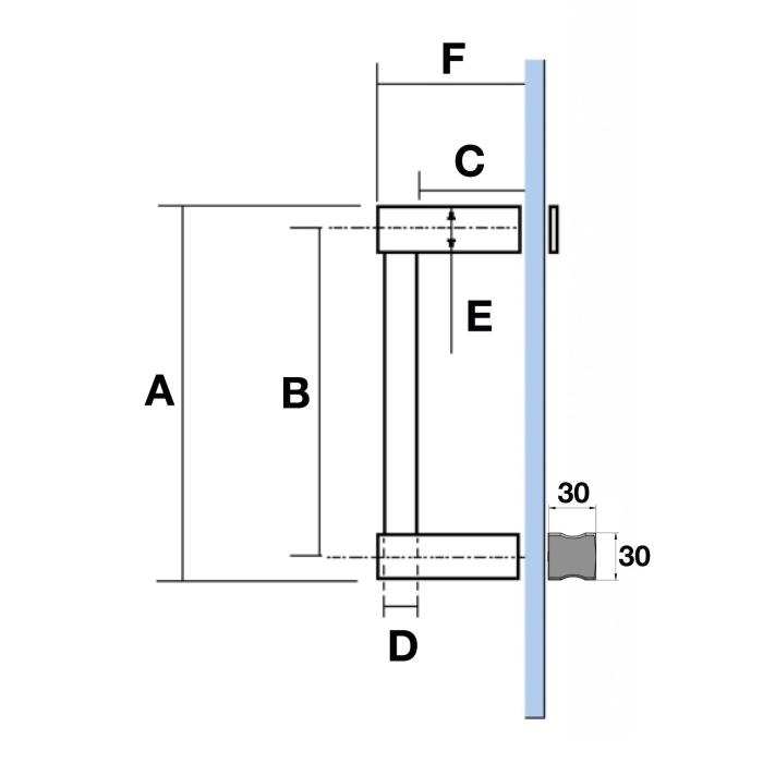
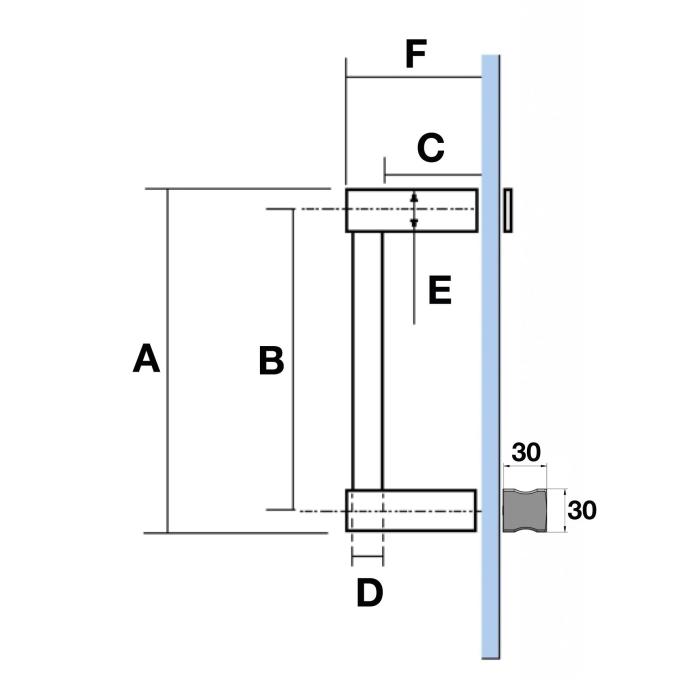
Mesures20 x 20 mm, L = 530 mm
Mesure A530 mm
Mesure B500 mm
Mesure C46 mm
Mesure D20 mm
Mesure E28 mm
Mesure F70 mm
Travail du verre Perçage du verre : Ø10 mm

Descriptif

1 x contreplaque et 1 x bouton incl., ajustable par recoupe

Documentation technique

PDF - Notice d'emploi  
TWINT Visa Mastercard PayPal Postfinance
Fonsegrive GmbH | BRF Solutions GmbH  2025 ©